
Dipublikasikan: Senin, 02 Maret 2026
Sistem PLTS Hybrid: Solusi Energi Andal untuk Efisiensi dan Keberlanjutan
Kebutuhan listrik terus meningkat seiring dorongan global menuju transisi energi bersih. Kondisi ini mendorong pemilik hunian dan bangunan komersial mencari solusi energi yang lebih efisien dan andal. Di tengah kebutuhan tersebut, PLTS hybrid (Pembangkit Listrik Tenaga Surya Hybrid) hadir sebagai sistem energi terintegrasi. Sistem ini dirancang untuk menjawab kebutuhan efisiensi sekaligus menjaga ketahanan pasokan listrik.
PLTS hybrid menggabungkan tiga komponen utama dalam satu ekosistem energi. Panel surya berfungsi sebagai sumber energi utama pada siang hari. Baterai digunakan untuk menyimpan kelebihan energi agar dapat dimanfaatkan kembali. Jaringan PLN berperan sebagai sumber pendukung ketika produksi energi surya tidak mencukupi.
Seluruh distribusi energi dikendalikan oleh hybrid inverter sebagai pusat manajemen sistem. Perangkat ini mengatur perpindahan sumber listrik secara otomatis dan optimal. Berbeda dengan sistem on-grid yang bergantung penuh pada jaringan listrik, sistem off-grid bekerja tanpa dukungan PLN. Sistem hybrid hadir di antara keduanya dengan menawarkan keseimbangan antara efisiensi biaya dan keamanan pasokan energi.
Cara Kerja Sistem Hybrid
Dalam operasionalnya, sistem hybrid bekerja secara dinamis mengikuti pola produksi dan kebutuhan energi. Pada siang hari, panel surya menghasilkan listrik yang langsung digunakan untuk menyuplai beban rumah atau bangunan. Ketika produksi energi melebihi kebutuhan, kelebihan daya akan disimpan ke dalam baterai.
Saat malam hari atau ketika produksi surya menurun, energi yang tersimpan di baterai digunakan untuk menjaga kontinuitas suplai listrik. Jika kapasitas baterai mulai berkurang atau terjadi lonjakan beban, sistem secara otomatis mengambil daya dari jaringan PLN.
Bahkan ketika terjadi pemadaman listrik, baterai dan panel surya tetap dapat menyuplai beban prioritas melalui mode cadangan atau backup. Mekanisme ini memungkinkan pasokan listrik tetap stabil tanpa intervensi manual dari pengguna.
Pola kerja tersebut membuat sistem hybrid tidak hanya mengurangi konsumsi listrik dari jaringan, tetapi juga meningkatkan ketahanan energi secara keseluruhan.
Keunggulan Sistem PLTS Hybrid
Keunggulan utama sistem hybrid terletak pada kemampuannya menggabungkan efisiensi finansial dan keandalan operasional. Kehadiran baterai penyimpanan memungkinkan hunian tetap memperoleh suplai listrik saat terjadi pemadaman PLN. Dengan demikian, aktivitas sehari-hari dapat berjalan tanpa gangguan. Fitur backup ini menjadi nilai tambah penting, terutama di wilayah dengan kestabilan jaringan yang belum sepenuhnya optimal.
Di sisi lain, pemanfaatan energi surya secara maksimal membantu menekan konsumsi listrik dari jaringan. Energi yang dihasilkan pada siang hari dapat langsung digunakan untuk memenuhi kebutuhan beban. Ketika produksi berlebih, energi tersebut disimpan di dalam baterai untuk digunakan kembali pada malam hari. Siklus ini membuat sistem bekerja lebih efisien sepanjang waktu.
Selain memberikan manfaat ekonomi, sistem hybrid juga berkontribusi terhadap pengurangan emisi karbon. Sebagian kebutuhan energi digantikan oleh sumber energi surya yang lebih bersih. Melalui mekanisme ini, pengguna turut mendukung transisi menuju sistem energi yang berkelanjutan.
Lebih jauh lagi, instalasi PLTS hybrid dapat meningkatkan nilai dan daya tarik properti. Hunian dengan sistem energi mandiri dipandang lebih modern dan efisien. Properti juga dinilai lebih siap menghadapi kebutuhan energi di masa depan.
Implementasi Nyata: PLTS Hybrid 41 kWp – Koperasi KNJ, Cigugur

Gambar 1. Instalasi PV
Sebagai wujud penerapan solusi tersebut, Horizon Teknologi telah merealisasikan instalasi PLTS hybrid berkapasitas 41 kWp pada gedung produksi pakan milik Koperasi Karya Nugraha Jaya di Cigugur, Kabupaten Kuningan. Proyek ini dirancang untuk mengoptimalkan pemanfaatan energi surya sekaligus memastikan operasional gedung produksi tetap memperoleh suplai listrik yang stabil. Sistem tetap mampu menjaga kontinuitas energi, bahkan ketika terjadi gangguan pada jaringan PLN.
Konfigurasi Sistem

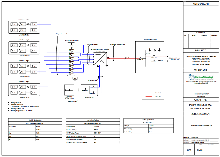
Gambar 2. Single Line Diagram
Instalasi ini menggunakan panel surya Tier 1 dengan total kapasitas 41,36 kWp. Sistem juga dilengkapi hybrid inverter dengan manajemen energi terintegrasi, panel proteksi DC–AC sesuai standar keselamatan, serta baterai sebagai media penyimpanan energi dan sumber cadangan listrik.
Melalui konfigurasi tersebut, energi matahari dapat dimanfaatkan secara optimal pada siang hari. Baterai kemudian berperan menopang kebutuhan energi pada malam hari. Sistem ini juga berfungsi sebagai cadangan daya ketika terjadi pemadaman listrik.
Estimasi Produksi Energi dan Penghematan Investasi
Berdasarkan analisis iradiasi wilayah Cigugur serta hasil simulasi desain sistem, instalasi ini diproyeksikan mampu menghasilkan sekitar ±57,3 MWh energi per tahun. Nilai tersebut setara dengan ±4,71 MWh per bulan atau sekitar 157 kWh per hari. Produksi energi ini secara signifikan membantu mengurangi ketergantungan terhadap pasokan listrik dari PLN, khususnya untuk kebutuhan operasional harian.
Dengan asumsi tarif listrik yang berlaku saat ini, sistem diperkirakan mampu memberikan penghematan sekitar ±Rp5 juta per bulan atau sekitar Rp60 juta per tahun. Besaran penghematan dapat bervariasi mengikuti pola konsumsi energi pengguna. Namun secara umum, hasil simulasi menunjukkan dampak finansial yang nyata dan terukur.
Dalam jangka panjang, dengan masa operasional sistem yang dapat mencapai 25 tahun serta potensi kenaikan tarif listrik di masa mendatang, PLTS hybrid berperan tidak hanya sebagai solusi energi. Sistem ini juga menjadi instrumen perlindungan biaya operasional sekaligus investasi energi berkelanjutan.
Dampak Lingkungan
Selain memberikan manfaat ekonomi, sistem ini juga berkontribusi nyata terhadap pengurangan emisi karbon. Produksi energi bersih dari instalasi berkapasitas 41,36 kWp diperkirakan mampu menekan emisi sekitar ±22,69 ton CO₂ per tahun. Dalam masa operasional hingga 25 tahun, total pengurangan emisi dapat mencapai ±567,3 ton CO₂.
Jika dikonversikan ke dalam ekuivalensi penyerapan alami, pengurangan emisi tahunan tersebut setara dengan kemampuan sekitar 1.000 pohon dewasa dalam menyerap karbon setiap tahun. Selama 25 tahun operasional, dampaknya setara dengan kontribusi lebih dari 25.000 pohon.
Angka ini menunjukkan bahwa investasi pada PLTS hybrid bukan hanya keputusan finansial. Implementasi sistem ini juga menjadi langkah konkret dalam mendukung keberlanjutan lingkungan dan percepatan transisi menuju energi bersih.
Menuju Hunian Mandiri Energi
PLTS hybrid bukan sekadar instalasi panel surya, melainkan sistem manajemen energi terintegrasi yang dirancang untuk menghadirkan efisiensi, keandalan, dan keberlanjutan dalam satu solusi. Sistem ini membantu pengguna mengelola konsumsi energi secara lebih cerdas sekaligus meningkatkan ketahanan pasokan listrik.
Horizon Teknologi menghadirkan layanan menyeluruh, mulai dari survei teknis, perancangan berbasis data, hingga instalasi profesional sesuai standar keselamatan. Layanan juga dilengkapi dengan pemantauan performa sistem secara berkelanjutan guna memastikan kinerja tetap optimal dalam jangka panjang.
Bagi Anda yang mempertimbangkan solusi energi yang lebih hemat, stabil, dan ramah lingkungan, PLTS hybrid dapat menjadi langkah strategis menuju hunian yang lebih mandiri. Investasi ini sekaligus mempersiapkan bangunan menghadapi tantangan kebutuhan energi di masa depan.
